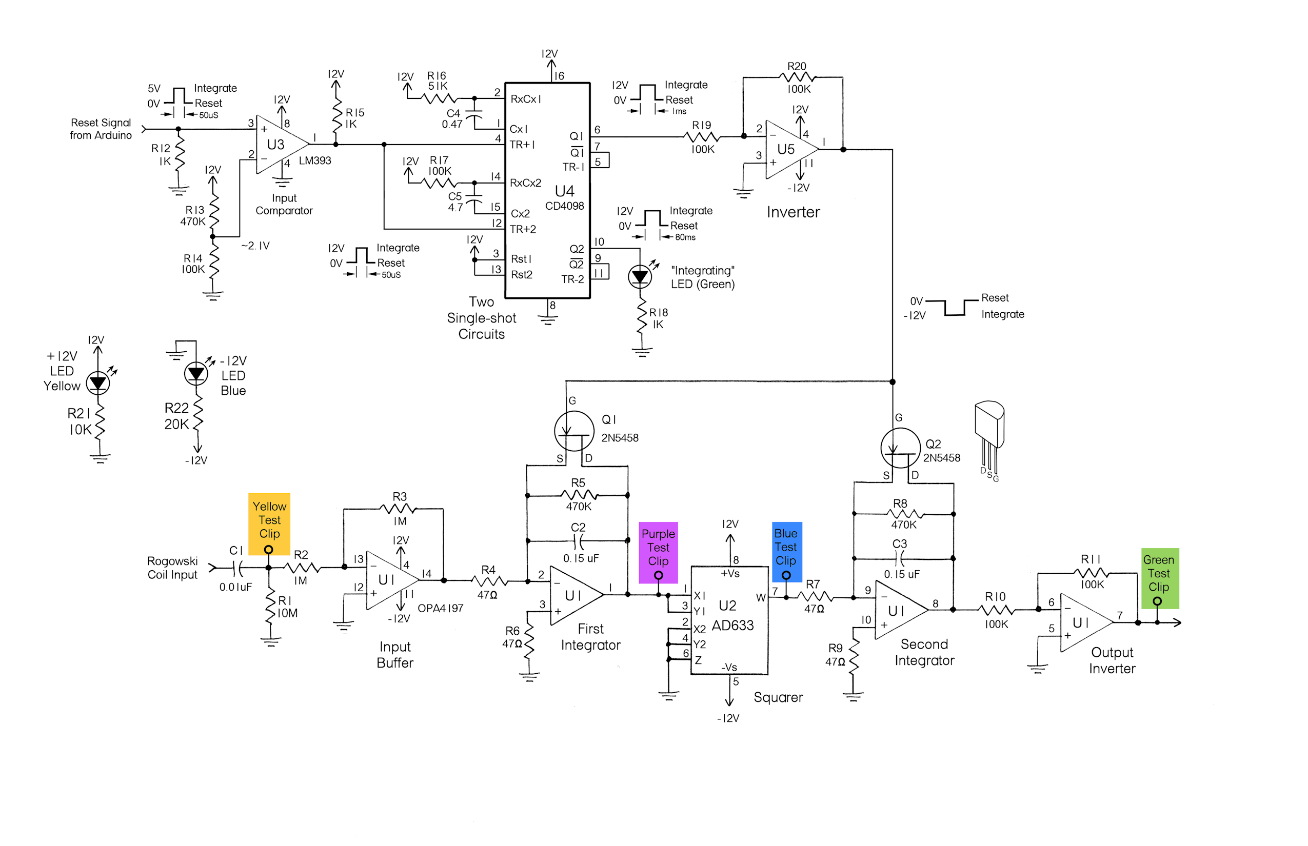
One of the thrusters under development has a Rogowski Coil to measure its performance.
|
|
|
|
If the output voltage of the integrator is squared and integrated again, the resulting voltage is useful for determining thrust. I built this multi-stage version of the integrator to perform that task.
The colored boxes indicate the colored test points on the board.
I built the circuit on a solder protoboard and mounted it on a piece of FR4 with a power splitter that takes a 24VDC power supply and splits it into +/- 12 Volts. This approximates the power supply that will be on the eventual satellite.
Here is a scope screen showing the different signals in response to a real Rogowski coil pulse. The colors of the traces correspond to the signals on the board, except that the yellow trace is showing the 5V trigger pulse from the control board rather than the Rogowski coil output.
