I built this device to speed up testing of the Duplex satellite, based on the one I built working at NovaNET in the late 90s.
The principle is very simple but effective. The inputs of a chip in a PCB are connected in parallel with the inputs of a known-good reference chip on the comparator board using a test clip. Exclusive-OR gates then compare the outputs between the in-circuit and reference chips and light up an LED if there is a difference. This saves a lot of time using the oscilloscope and lets you know right away where the problem is. It's especially good for situations where the PCB under test has many copies of the same chip. You just move the test clip from one chip to the next and look for red LEDs.
We had a circuit board with multiple ADUM1402 isolator chips that were blowing out because of power supply noise from a thruster. I built the comparator so we could test them very quickly and figure out which ones were misbehaving.
Here is the Logic Comparator built on a powered breadboard. For builds like this I like to use 24-gauge 50-conductor telephone wire and lay the wires down neatly.
Here the logic comparator is attached to the Duplex test box. The test clip is attached to the 1402 driver chip we are currently testing.
|
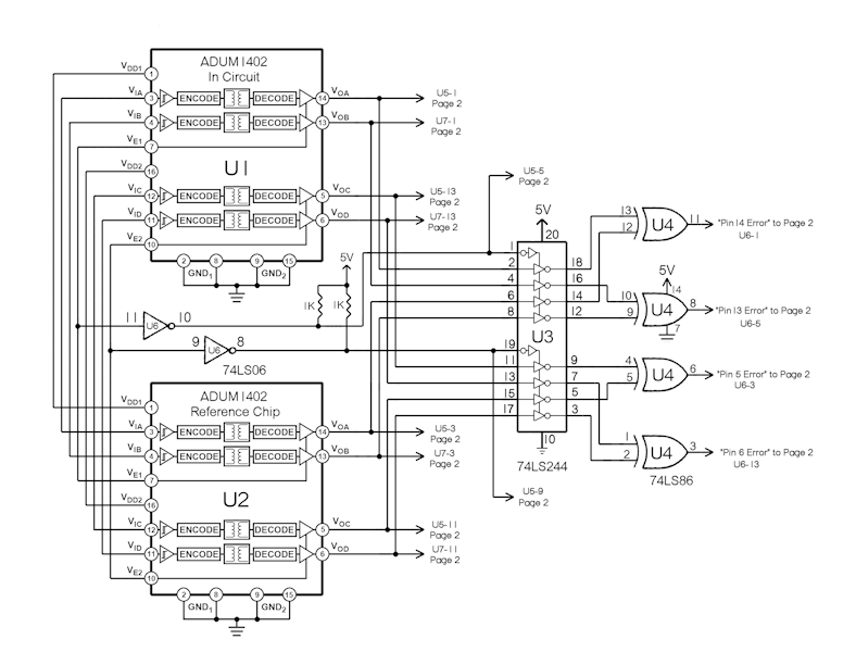
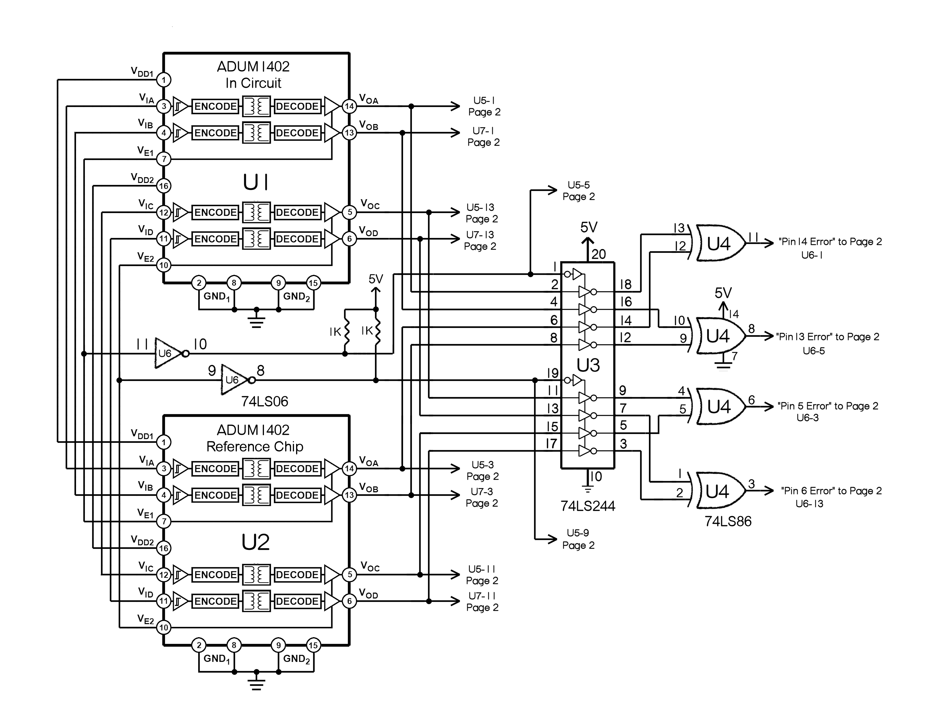
Schematic Page 1 - Comparator Logic. The chip on the upper left is the chip on the PCB in the Duplex Test Box. The one on the lower left is the reference chip U2 on the logic comparator protoboard. The tri-state buffer U3 makes sure that the comparator is only connected to the chips' outputs when their enable lines are high. The XOR gates compare the outputs of the in-circuit and reference chips and light up a red LED if they are different on that output pin. |
|
|
Schematic Page 2 - Indicator LEDs. the green LEDs show activity on the signals being tested. The red LEDs indicate a problem, i.e. the the outputs of the in-circuit and reference chips are different. |